产品展示|Products

Parker MVI系列流量控制阀/针阀

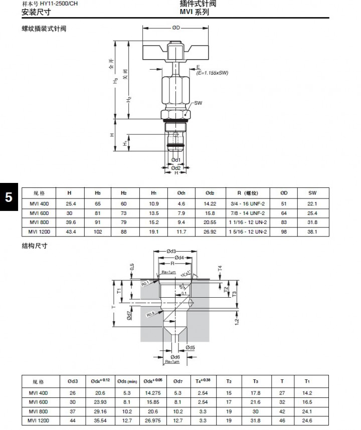
MVI系列

MVI系列为钢质阀体的针型节流阀。可以以螺纹式插装阀的形式安装在阀块上。阀芯可以选择30度锥面、形切口或矩形切口。节流口的形状影响流量调节的精度,其与压力和粘度有关。针状阀芯为不锈钢并且在阀筒内形成环状间隙,加工阀块孔的成形刀具见下面的“说明”。

MVIaMVIb